同轴固定负载是一种用于射频和微波系统的终端器件,采用50Ω或75Ω标准阻抗匹配设计,内部集成高稳定性碳膜或薄膜电阻元件。其结构包含精密同轴接口(如N/SMA)、陶瓷支撑体和全金属屏蔽外壳,具有低驻波比(VSWR≤1.2)、高功率容量(可达100W)及宽频带特性(DC-18GHz)。适用于基站测试、仪器校准及电路阻抗匹配,能有效吸收残余信号,确保系统测量精度和信号完整性。
RLSMA-J-16-6
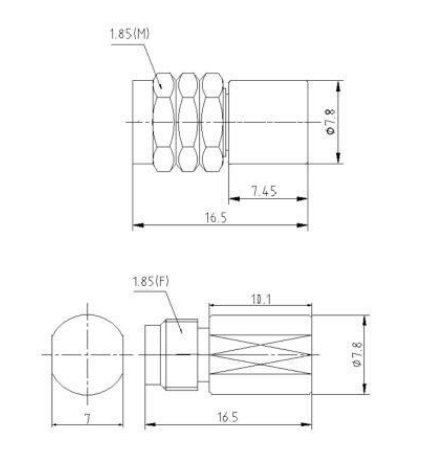
RL1.85-J-67
RL2.4-J-2 Load
RLMMPX-J-26-05W
RL3.5-J-2-WH
RL1.85-J-67-10W